Voltage in a Circuit
		Find the voltage of an element in a circuit
		Learn It!
				Pre-Requisite Knowledge
			
				To understand this section, you need to know the following concepts:
				
			
		Goal
						Using the Voltage Divider Concept
								Use the Voltage Divider concept to find the voltage drop across one resistor
						
						
			\(
			\begin{equation}
						a. V_{out} = 1.5
\\b. V_{out} = 2V
\\c. V_{out} = 3V
\\d. V_{out} = 4.5V
\\e. V_{out} = 6V
			\end{equation}
			\)
					
					Part 1
						Using the Voltage Divider Rule
					
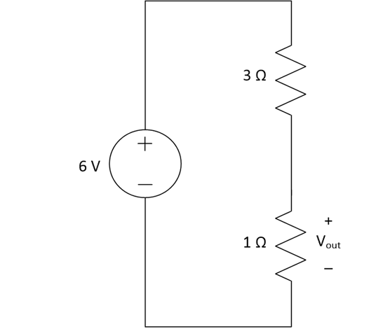
								We want to find the voltage across the \(1 \Omega\) resistor, which has been named \(V_{out}\)
							
							
								
									We recognize this as a special structure, called a voltage divider. If we want the voltage across one resistor that is in series with another, the voltage divider concept will likely be useful to us.
								
							+
								
									?
								
								What about KVL and Ohm's Law?
								+
								
									!
									
								Proof
								
									\[V_1=V_{total} \frac{R_1}{R_1+R_2}\]
								
								
									This is the Voltage Divider Rule (VDR). 
The voltages across resistors in series have a this very special relationship.
							The voltages across resistors in series have a this very special relationship.
									\[V_{out}= 6\frac{1}{3+1}\]
								
								
									With the VDR, we're on the home stretch.
								
							★
								
										\[V_{out} = 6/4 = 1.5\]
									
									
									Final Answer is \(A\)
																	
							
				
