Diodes
A Diode Problem with Unterminated LEads
Goal
Diodes
Solve the for \(V_{out}\) assuming the large signal model for the diode
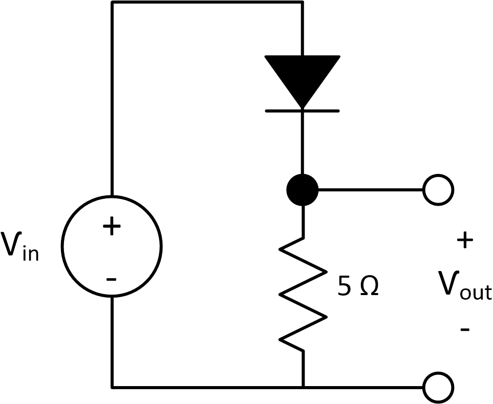
If \(V_{in}=1.7 V\) in the diode circuit below, what is \(V_{out}\), assuming the large signal model for the diode \(V_{on}=0.7 V\)
\[ \begin{align} &a.& 0 V \\ &b.& 0.7 V\\ &c.& 1 V\\ &d.& 1.7 V\\ &e.& 2.4 V\\ \end{align} \]
\[ \begin{align} &a.& 0 V \\ &b.& 0.7 V\\ &c.& 1 V\\ &d.& 1.7 V\\ &e.& 2.4 V\\ \end{align} \]
+
?
What should we do about those terminals?
Part 1
Guess diode mode
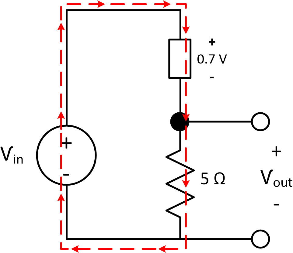
The first thing to do when a diode is connected to a DC source is guess if it will be on or off.
Since the \(+\) end of the source is connected to the back of the diode, and the source is larger than 0.7V, we'll take "on" as our 1st guess
Since the \(+\) end of the source is connected to the back of the diode, and the source is larger than 0.7V, we'll take "on" as our 1st guess
+
1A
Compute values using KVL
Since we guessed the diode was ON, replace the diode with a \(0.7V\) drop generic element.
We want \(V_{out}\), but it isn't an element we have. But whatever \(V_{out}\) is connected to, we know that it has the same voltage as the resistor. They are in parallel, so \( V_{out}=V_R \)
We want \(V_{out}\), but it isn't an element we have. But whatever \(V_{out}\) is connected to, we know that it has the same voltage as the resistor. They are in parallel, so \( V_{out}=V_R \)
Now we can use a KVL loop to find the voltage across the resistor
+
?
Why this loop?
I choose a clockwise loop so that \(V_{in}\) will be positive in my KVL equation
\[ +V_{in} - V_{on} -V_{out}=0 \]
Apply KVL. The source is positive, the voltage drop across the diode and resistor are both negative.
\[ V_{in}-V{on}=V_{out}\]
Subtract the desired variable \(V_{out}\) over to the other side to isolate
★
\[ V_{out}=1.7-0.7=1.0 V\]
Just plug it in to solve.
+
!
What about what's attached to the terminals?

